Viti a testa bombata
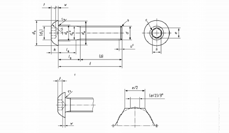
1.ISO 7380 Viti a testa bombata con esagono incassato
2. Produttore di bulloni di origine, propria fabbrica: con vantaggio di prezzo, eliminando la differenza di prezzo degli intermediari.
3. Adottare l'acciaio addensato di alta qualità del settore, l'elevata stabilità e la lunga durata.
4. Supporta la personalizzazione del cliente.
5. Vendite professionali e servizio post-vendita, benvenuto per informarsi in qualsiasi momento.
6. Consegna in tempo.
Viti a testa bombata: una guida completa
Le viti a testa bombata sono un tipo popolare di fissaggio noto per il loro design a testa arrotondata a basso profilo. Queste viti sono comunemente utilizzate in applicazioni in cui l'estetica, la facilità di installazione e la resistenza alla corrosione sono importanti. Ecco uno sguardo dettagliato alle viti a testa bombata, alle loro caratteristiche e ai loro usi:



Disegno del prodotto
1.Design e caratteristiche
Forma della testa:La vite a testa bombata presenta una testa arrotondata a forma di cupola con finitura liscia. Questo design assicura che la vite sia a filo con la superficie, offrendo un aspetto elegante. La testa liscia e a basso profilo riduce il rischio di impigliarsi o danneggiare i materiali circostanti.
Tipo di unità:Le viti a testa bombata sono in genere azionate utilizzando una presa esagonale, il che le rende ideali per le applicazioni in cui è richiesto un collegamento sicuro e resistente alle manomissioni. I tipi di unità comuni includono design esagonali, Torx o persino scanalati.
Materiale e finitura:Queste viti sono disponibili in vari materiali, tra cui acciaio inossidabile, acciaio al carbonio e acciai legati, ciascuno con finiture diverse per migliorare la resistenza alla corrosione. L'acciaio inossidabile e le finiture rivestite come la zincatura o l'ossido nero sono comunemente usati per applicazioni all'aperto o in ambienti difficili.
Dimensioni:Le viti a testa bombata sono disponibili in un'ampia gamma di dimensioni e tipi di filettatura per soddisfare esigenze di fissaggio specifiche. Dalle piccole viti per compiti delicati a quelle più grandi per applicazioni pesanti, c'è una dimensione adatta praticamente per ogni progetto.
2.Vantaggi
Estetica:Le viti a testa bombata hanno un aspetto pulito e liscio che le rende una scelta eccellente per i progetti in cui l'aspetto finito è importante, come nei mobili, negli interni delle automobili o nei macchinari che saranno visibili.
Basso profilo:La loro forma arrotondata li rende meno propensi a impigliarsi in altri materiali, il che è particolarmente utile in spazi ristretti o ristretti. Questa caratteristica riduce anche al minimo il rischio di lesioni nelle aree che richiedono una manipolazione frequente.
Maggiore resistenza alla corrosione:Molte viti a testa bombata sono realizzate in acciaio inossidabile o altri materiali resistenti alla corrosione, il che le rende adatte per ambienti esterni o ad alta umidità.
Facilità di installazione:Le viti a testa bombata sono facili da installare utilizzando strumenti standard e le loro teste arrotondate aiutano a garantire che la vite si trovi in modo uniforme e sicuro.



3.Applicazioni
Le viti a testa tonda sono versatili e possono essere utilizzate in un'ampia gamma di settori e applicazioni:
Automobilistico:Le viti a testa bombata sono comunemente utilizzate nell'industria automobilistica per fissare pannelli interni, pezzi di rivestimento e componenti del motore, dove si desidera un aspetto pulito e ordinato.
Produzione di mobili:Nel design dei mobili, in particolare per i pezzi moderni e minimalisti, le viti a testa tonda forniscono una finitura elegante e discreta.
Elettronica:Per l'elettronica e i gadget, le viti a testa tonda vengono utilizzate per fissare involucri o componenti, garantendo funzionalità e un aspetto lucido.
Applicazioni aerospaziali e industriali:Le viti a testa bombata sono spesso utilizzate in macchinari industriali e applicazioni aerospaziali in cui sia la resistenza che l'estetica sono fondamentali. Possono resistere a sollecitazioni elevate fornendo al contempo un aspetto liscio e aerodinamico.



Le viti a testa bombata sono un elemento di fissaggio essenziale per qualsiasi progetto che richieda una soluzione sicura, a basso profilo e visivamente accattivante. Con la loro vasta gamma di dimensioni, materiali e applicazioni, offrono versatilità e affidabilità in vari settori. Sia che vengano utilizzate per scopi estetici o per esigenze funzionali, le viti a testa tonda sono una scelta preziosa per molte attività di fissaggio.










