Viti a doppia estremità
1.Din 938 bulloni a doppia estremità BM = 1D
2.Source Bolt Produttore, propria fabbrica: con vantaggio sui prezzi, eliminando la differenza di prezzo degli intermediari.
3. Adtribuire l'acciaio addirittura ad alta qualità del settore, l'alta stabilità e la durata duratura.
4.Supporta la personalizzazione dei clienti.
5. Vendite professionali e servizio post-vendita, benvenuto a chiedere in qualsiasi momento.
6. -consegna in tempo.
Viti a doppia estremità: dispositivi di fissaggio versatili per più applicazioni
Viti a doppia estremitàsono uno dei dispositivi di fissaggio più versatili e comunemente usati in vari settori. Queste viti sono progettate con fili su entrambe le estremità, rendendole ideali per applicazioni in cui è richiesto un fissaggio sicuro su entrambi i lati di un pezzo. Il loro design unico consente loro di essere utilizzati in una vasta gamma di settori, dalla costruzione al gruppo macchinari, offrendo sia forza che flessibilità.
Immagini
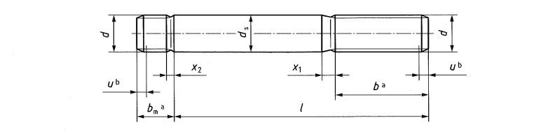
Disegno del prodotto
Caratteristiche chiave diViti a doppia estremità
Filmare su entrambe le estremità
La caratteristica che definisceViti a doppia estremitàè il loro doppio threading. Con i fili su entrambe le estremità, queste viti possono essere inserite in materiali da entrambe le direzioni. Questa funzione consente un fissaggio sicuro da entrambi i lati, fornendo una maggiore flessibilità nell'assemblaggio.Varietà di lunghezze e diametri
Viti a doppia estremitàArrivare in una vasta gamma di lunghezze e diametri, permettendo loro di essere utilizzati in una varietà di applicazioni. Sia che tu abbia bisogno di una piccola vite per un lavoro delicato o una vite più lunga per un uso pesante, puoi trovare un'opzione adatta per le tue esigenze.Materiali resistenti alla corrosione
Per garantire prestazioni durature in vari ambienti,Viti a doppia estremitàsono spesso realizzati con materiali resistenti alla corrosione come acciaio inossidabile, acciaio al carbonio o acciaio in lega. Questi materiali migliorano la durata delle viti, rendendoli adatti sia per uso interno che esterno.Opzioni di progettazione personalizzabili
Viti a doppia estremitàsono disponibili in diversi motivi, lunghezze e finiture per soddisfare requisiti di applicazione specifici. Le opzioni di personalizzazione assicurano che queste viti possano essere adattate per soddisfare particolari esigenze di installazione.
Vantaggi diViti a doppia estremità
Forza e durata migliorate
I doppi thread diViti a doppia estremitàFornire una potenza di detenzione superiore, rendendoli altamente efficaci nelle applicazioni che richiedono connessioni forti e durevoli. Che tu stia lavorando con metallo, legno o plastica, queste viti sono progettate per creare una vestibilità stretta e di lunga durata.Versatilità tra le industrie
Viti a doppia estremitàsono utilizzati in una vasta gamma di settori, tra cui costruzione, automobili, elettronici e produzione di mobili. La loro capacità di fissare in modo sicuro i materiali insieme da entrambe le estremità li rende una scelta ideale per diverse applicazioni.Processo di installazione efficiente
Queste viti rendono l'installazione più veloce ed efficiente. Poiché possono essere inseriti da entrambe le estremità, non è necessario utilizzare ulteriori elementi di fissaggio, semplificando il processo di assemblaggio. Ciò può risparmiare sia i costi di tempo che il lavoro, specialmente in progetti su larga scala.Soluzione economica
Fornendo un fissaggio sicuro e riducendo la necessità di più dispositivi di fissaggio,Viti a doppia estremitàsono una soluzione economica. La loro durata e prestazioni di lunga durata significano anche meno sostituti, con conseguenti risparmi a lungo termine.
Applicazioni diViti a doppia estremità
Gruppo di mobili
Viti a doppia estremitàsono comunemente usati nel settore dei mobili, dove aiutano a proteggere i pezzi insieme in modo compatto e stabile. Il doppio threading consente connessioni più facili e più forti tra i componenti, garantendo che i mobili rimangano saldamente in posizione.Industria automobilistica
Nella produzione automobilistica,Viti a doppia estremitàsono spesso utilizzati per proteggere parti e componenti all'interno di motori e telaio. Il design robusto di queste viti garantisce che le parti critiche rimangano in posizione anche sotto forte stress e vibrazioni.Applicazioni di costruzione e strutturale
Per progetti di costruzione,Viti a doppia estremitàsono usati per attaccare raggi, inquadratura e altri elementi strutturali. La loro capacità di fornire un fissaggio sicuro e affidabile da entrambe le parti è essenziale per garantire l'integrità e la forza della struttura.Elettronica ed elettronica
Viti a doppia estremitàsi trovano anche comunemente nel settore elettronico, dove vengono utilizzati per proteggere i componenti elettrici all'interno di dispositivi e recinti. Il loro threading di precisione garantisce una vestibilità stretta e impedisce alle parti di allentarsi nel tempo.
Perché scegliereViti a doppia estremità?
Distribuzione del carico migliorata
Il doppio threading diViti a doppia estremitàconsente una distribuzione più uniforme del carico attraverso il materiale fissato. Ciò è fondamentale per prevenire il fallimento del materiale e garantire la durata a lungo termine dell'assemblaggio.Punti di connessione a doppia
La capacità di fissare da entrambe le estremità faViti a doppia estremitàUna soluzione altamente flessibile per i progetti in cui l'accesso a una sola parte può essere limitato. Questo doppio punto di connessione aumenta la versatilità di queste viti in una vasta gamma di applicazioni.Performance forti e affidabili
Viti a doppia estremitàsono progettati per offrire prestazioni forti e affidabili. Il design del filo e i materiali di alta qualità assicurano che i dispositivi di fissaggio resisteranno alla prova del tempo e mantengano la loro integrità in ambienti esigenti.Ampia gamma di compatibilità del materiale
Che tu stia lavorando con materiali in legno, metallo, plastica o compositoViti a doppia estremitàsono compatibili con una varietà di superfici. La progettazione del filo e le proprietà del materiale assicurano un adattamento sicuro in più applicazioni, dal servizio leggero all'uso pesante.
Conclusione: perché optare perViti a doppia estremità?
Quando si cerca un dispositivo di fissaggio che combina versatilità, forza e durata,Viti a doppia estremitàsono la soluzione perfetta. Il loro design unico a doppio thread garantisce connessioni sicure da entrambe le estremità, rendendole ideali per una varietà di applicazioni in più settori. Sia che tu stia assemblando mobili, costruzioni o lavori su progetti automobilistici,Viti a doppia estremitàOffri le prestazioni e l'affidabilità di cui hai bisogno. ScegliereViti a doppia estremitàPer il tuo prossimo progetto e sperimenta i vantaggi del fissaggio forte e sicuro.





