Bulloni flangiati a testa esagonale DIN EN1662, serie piccola
Prodotto:Bulloni flangiati a testa esagonale DIN EN1662-Serie piccola
Classe di proprietà: 4.6,4.8,5.6,5.8,8.8,10.9,12.9,
A2-70, A4-70, A4-80
Finitura: placcatura in zinco (zinco giallo, blu zinco, colore di risciacquo), nero, fosfato e olio, fosfato di zinco, zincato a caldo (HDG), Dacromet, Geomet
Materiale: acciaio
Paese di esportazione: USA, Giappone, Australia, Europa e così via
Supporta la personalizzazione del cliente
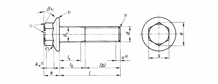
Il bullone frontale con flangia a testa esagonale piccola DIN EN1662 è un elemento di fissaggio conforme alla norma DIN EN 1662. DIN EN 1662 è uno standard europeo che specifica le dimensioni, le tolleranze, i materiali e i requisiti prestazionali per i bulloni a flangia esagonale. Questo bullone ha un design a testa esagonale piccola e una flangia sulla testa. La superficie della flangia può aumentare l'area di contatto tra il bullone e il pezzo di collegamento, migliorando la stabilità e l'affidabilità della connessione.
Immagini
Disegno del prodotto
Specifiche di prodotto
Misurare |
M5 |
M6 |
M8 |
M10 |
M12 |
M14 |
M16 |
|
P |
0,8 |
1.0 |
1.25 |
1.5 |
1,75 |
2.0 |
2.0 |
|
B |
l<125 |
16 |
18 |
22 |
26 |
30 |
34 |
38 |
125
|
/ |
/ |
28 |
32 |
36 |
40 |
44 |
|
l>200 |
/ |
/ |
/ |
/ |
/ |
/ |
57 |
|
cmin |
1 |
1.1 |
1.2 |
1.5 |
1.8 |
2.1 |
2.4 |
|
da |
Fmassimo |
5.7 |
6.8 |
9.2 |
11.2 |
13.7 |
15.7 |
17.7 |
Umax |
6.2 |
7.5 |
10.0 |
12.5 |
15.2 |
17.7 |
20.5 |
|
CC massimo |
11.4 |
13.6 |
17.0 |
20.8 |
24.7 |
28.6 |
32.8 |
|
ds |
massimo |
5.0 |
6.0 |
8.0 |
10.0 |
12.0 |
14.0 |
16.0 |
min |
4.82 |
5.82 |
7.78 |
9.78 |
11.73 |
13.73 |
15.73 |
|
dv |
5.5 |
6.6 |
8.8 |
10.8 |
12.8 |
14.8 |
17.2 |
|
dw min |
9.4 |
11.6 |
14.9 |
18.7 |
22.5 |
26.4 |
30.6 |
|
e min |
7.59 |
8.71 |
10.95 |
14.26 |
17.62 |
19.86 |
23.15 |
|
kmassimo |
5.6 |
6.9 |
8.5 |
9.7 |
12.1 |
12.9 |
15.2 |
|
kwmin |
2.3 |
2.9 |
3.8 |
4.3 |
5.4 |
5.6 |
6.8 |
|
Se massimo |
1.4 |
1.6 |
2.1 |
2.1 |
2.1 |
2.1 |
3.2 |
|
r1 min |
0,2 |
0,25 |
0.4 |
0.4 |
0,6 |
0,6 |
0,6 |
|
r2 massimo |
0,3 |
0.4 |
0,5 |
0,6 |
0,7 |
0.9 |
1.0 |
|
r3 |
massimo |
0,25 |
0,26 |
0,36 |
0,45 |
0,54 |
0,63 |
0,72 |
min |
0,10 |
0,11 |
0,16 |
0,20 |
0,24 |
0,28 |
0,32 |
|
r4 |
4.0 |
4.4 |
5.7 |
5.7 |
5.7 |
5.7 |
8.8 |
|
S |
massimo |
7.0 |
8.0 |
10.0 |
13.0 |
16.0 |
18.0 |
21.0 |
min |
6.78 |
7.78 |
9.78 |
12.73 |
15.73 |
17.73 |
20.67 |
|
v |
massimo |
0,15 |
0,20 |
0,25 |
0,30 |
0,35 |
0,45 |
0,50 |
min |
0,05 |
0,05 |
0,1 |
0,15 |
0,15 |
0,2 |
0,25 |
|
Supporta la personalizzazione del cliente |
||||||||
Qualche introduzione sulla nostra azienda
Applicazione
I nostri prodotti sono ampiamente utilizzati nei settori meccanico, elettrico, automobilistico, dell'edilizia, delle ferrovie, dei ponti, delle navi a vapore, dei sistemi di protezione antincendio e di comunicazione, ecc.
Officina
Certificazione
Attraverso la gestione scientifica, Jinan Star Fastener Co., Ltd. ha ottenuto la versione 2015 della certificazione del sistema di gestione della qualità ISO9001. Nel 2017 il laboratorio ha superato la certificazione nazionale CNAS. Nel 2018 l’azienda ha ottenuto la certificazione europea CE.
Apparecchiature di prova
La nostra azienda dispone di un laboratorio specializzato con durometri digitali, microscopi, macchine di prova universali, misuratori di forza assiale, dispositivi di rilevamento dell'infragilimento da idrogeno, rilevatori di difetti di particelle magnetiche, analizzatori metallografici, analizzatori di carbonio e zolfo e macchine per prove in nebbia salina, ecc. Le apparecchiature di prova sperimentali sono utilizzato per condurre test completi sulla composizione chimica delle materie prime, sulla durezza del prodotto, sulle proprietà meccaniche, sullo spessore del rivestimento e sulla resistenza alla corrosione per garantire che tutti i prodotti soddisfino i requisiti standard e soddisfino i clienti.
Attrezzatura di produzione
La nostra azienda dispone di più di 300 apparecchiature di produzione. Il processo di produzione del prodotto comprende: ricottura, granigliatura, ricalcatura a freddo, rullatura di filetti, trattamento termico, zincatura, test del prodotto finito, imballaggio, ecc. sono tutti completati in azienda.
Imballaggio
Servizio
1. In base alle esigenze specifiche dei clienti, il produttore può fornire piccoli bulloni frontali con flangia a testa esagonale DIN EN1662 personalizzati.
2. Disponiamo di un team di assistenza tecnica e di vendita professionale in grado di fornire ai clienti consulenza tecnica, selezione del prodotto, guida all'installazione e altri servizi per garantire che i clienti possano utilizzare i bulloni in modo corretto ed efficiente.
3. In caso di problemi durante l'uso, forniremo servizi post-vendita, inclusi resi di prodotti, riparazioni, ecc.
FAQ
1. Come controllate la qualità del prodotto?
DIN EN1662 è uno standard rigoroso e Jinan Star segue una serie di misure di controllo della qualità durante il processo di produzione. Puoi essere sicuro di scegliere bulloni che soddisfano questo standard. Se ne hai bisogno, forniremo i documenti di certificazione di qualità pertinenti, come rapporti di prova, certificati di conformità, ecc.
2. Potete inviarmi un preventivo?
Il prezzo dei bulloni è solitamente correlato a fattori quali materiali, specifiche, processi di produzione, ecc. Prodotti diversi hanno prezzi diversi a seconda delle esigenze di personalizzazione del cliente. Puoi consultare il nostro team di vendita professionale per prezzi specifici.
3. Quando spedirete la merce dopo aver effettuato l'ordine?
Organizzeremo la produzione dell'ordine il prima possibile. È possibile negoziare con il produttore per determinare la data di consegna specifica e indicarla chiaramente nel contratto.
4. Come posso fidarmi di te?
Puoi conoscere la reputazione di un produttore controllando le recensioni dei clienti, i casi di cooperazione e altre informazioni. Allo stesso tempo, puoi anche comunicare con i produttori per comprendere la loro cultura aziendale, filosofia aziendale, ecc.














