Bulloni flangiati a testa piccola esagonale ISO 4162
Prodotto: bulloni flangiati a testa piccola esagonale ISO 4162
Classe di proprietà: 4.6,4.8,5.6,5.8,8.8,10.9,12.9,
A2-70, A4-70, A4-80
Finitura: placcatura in zinco (zinco giallo, blu zinco, colore di risciacquo), nero, fosfato e olio, fosfato di zinco, zincato a caldo (HDG), Dacromet, Geomet
Materiale: acciaio
Paese di esportazione: USA, Giappone, Australia, Europa e così via
Supporta la personalizzazione del cliente
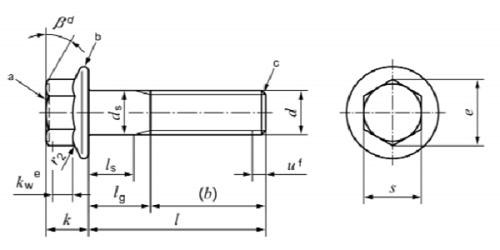
Il bullone con flangia esagonale piccola ISO 4162 è un elemento di fissaggio con specifiche e proprietà specifiche. La testa del piccolo bullone flangiato esagonale è progettata per essere esagonale e la superficie della flangia è grande e piatta. Questo design consente un'area di contatto più ampia tra la chiave o il cacciavite e la testa del bullone, garantendo un trasferimento della coppia più stabile.
Immagini
Disegno del prodotto
Specifiche di prodotto
Misurare |
M5 |
M6 |
M8 |
M10 |
M12 |
M14 |
M16 |
|
P |
0,8 |
1.0 |
1.25 |
1.5 |
1,75 |
2.0 |
2.0 |
|
B |
C |
16 |
18 |
22 |
26 |
30 |
34 |
38 |
D |
/ |
/ |
28 |
32 |
36 |
40 |
44 |
|
e |
/ |
/ |
/ |
/ |
/ |
/ |
57 |
|
cmin |
1.0 |
1.1 |
1.2 |
1.5 |
1.8 |
2.1 |
2.4 |
|
al massimo |
tipo F |
5.7 |
6.8 |
9.2 |
11.2 |
13.7 |
15.7 |
17.7 |
tipo U |
6.2 |
7.5 |
10.0 |
12.5 |
15.2 |
17.7 |
20.5 |
|
CC massimo |
11.4 |
13.6 |
17.0 |
20.8 |
24.7 |
28.6 |
32.8 |
|
ds |
massimo |
5.0 |
6.0 |
8.0 |
10.0 |
12.0 |
14.0 |
16.0 |
min |
4.82 |
5.82 |
7.78 |
9.78 |
11.73 |
13.73 |
15.73 |
|
dvmassimo |
5.5 |
6.6 |
8.8 |
10.8 |
12.8 |
14.8 |
17.2 |
|
dw min |
9.4 |
11.6 |
14.9 |
18.7 |
22.5 |
26.4 |
30.6 |
|
e min |
7.44 |
8.56 |
10.8 |
14.08 |
16.32 |
19.68 |
22.58 |
|
kmassimo |
5.6 |
6.8 |
8.5 |
9.7 |
11.9 |
12.9 |
15.1 |
|
kwmin |
2.3 |
2.9 |
3.8 |
4.3 |
5.4 |
5.6 |
6.7 |
|
Se massimo |
1.4 |
1.6 |
2.1 |
2.1 |
2.1 |
2.1 |
3.2 |
|
r1 min |
0,2 |
0,25 |
0.4 |
0.4 |
0,6 |
0,6 |
0,6 |
|
r2 massimo |
0,3 |
0.4 |
0,5 |
0,6 |
0,7 |
0.9 |
1.0 |
|
r3 |
massimo |
0,25 |
0,26 |
0,36 |
0,45 |
0,54 |
0,63 |
0,72 |
min |
0,1 |
0,11 |
0,16 |
0,20 |
0,24 |
0,28 |
0,32 |
|
r4 |
4.0 |
4.4 |
5.7 |
5.7 |
5.7 |
5.7 |
8.8 |
|
S |
massimo |
7.0 |
8.0 |
10.0 |
13.0 |
15.0 |
18.0 |
21.0 |
min |
6.64 |
7.64 |
9.64 |
12.57 |
14.57 |
17.57 |
20.16 |
|
T |
massimo |
0,15 |
0,2 |
0,25 |
0,3 |
0,35 |
0,45 |
0,5 |
min |
0,05 |
0,05 |
0,1 |
0,15 |
0,15 |
0,2 |
0,25 |
|
Supporta la personalizzazione del cliente |
||||||||
Qualche introduzione sulla nostra azienda
Applicazione
Jinan Star Company è specializzata nella produzione di prodotti di fissaggio e i suoi bulloni, dadi e altri prodotti sono ampiamente utilizzati in macchinari, ferrovie, automobili, edilizia, impianti elettrici, ponti, comunicazioni, protezione antincendio e altri settori.
Officina
L'officina di Jinan Star Fastener Co., Ltd. è l'area centrale della produzione e della produzione dell'azienda. Dispone di attrezzature di produzione avanzate, disposizione ragionevole dell'officina e processo di produzione scientifico, garantendo una produzione efficiente e un output di alta qualità dei prodotti di fissaggio.
Certificazione
Jinan Star Fastener Co., Ltd. ha ottenuto la versione 2015 della certificazione del sistema di gestione della qualità ISO9001 attraverso la gestione scientifica dei leader di vari dipartimenti e il perseguimento dell'alta qualità per bulloni e altri elementi di fissaggio. Inoltre, il laboratorio dell'azienda ha ottenuto la certificazione nel 2017 e nel 2018. Ha superato la certificazione nazionale CNAS e nel 2018 l'azienda ha superato la certificazione CE europea.
Apparecchiature di prova
Jinan Star Fastener Company attribuisce grande importanza alla qualità del prodotto ed è dotata di attrezzature complete per il controllo della qualità, come macchine per prove di trazione, tester di coppia, microscopi metallografici, proiettori ottici, camere di prova in nebbia salina, misuratori di spessore del rivestimento, ecc., che vengono utilizzati per testare la resistenza alla trazione e l'allungamento dei prodotti di fissaggio e valutare le proprietà meccaniche dei prodotti. Queste apparecchiature garantiscono che ogni collegamento dalle materie prime ai prodotti finiti possa essere rigorosamente controllato in termini di qualità.
Attrezzatura di produzione
Per soddisfare le esigenze dei diversi clienti, l'azienda ha introdotto una serie di apparecchiature di produzione avanzate, come macchine per stampaggio a freddo multistazione, apparecchiature per la rullatura di filetti, apparecchiature per il trattamento termico, granigliatrici, sabbiatrici, linee galvaniche e altro apparecchiature per il trattamento superficiale e apparecchiature per l'imballaggio completamente automatiche. Queste apparecchiature non solo migliorano l'efficienza produttiva, ma garantiscono anche la coerenza e la stabilità della qualità del prodotto.
Imballaggio
Servizio
1. Supporto tecnico: Jinan Xingguang fornirà ai clienti supporto tecnico, inclusa consulenza e guida sulla selezione, installazione, uso, manutenzione dei bulloni, ecc. Tecnici professionisti e team di vendita possono fornire suggerimenti e soluzioni professionali in base alle esigenze specifiche dei clienti. soluzioni per aiutare i clienti a risolvere i problemi riscontrati durante l'utilizzo dei bulloni.
2. Servizio post-vendita: Jinan Starlight fornirà anche un servizio post-vendita completo, compresa la gestione dei problemi di qualità del prodotto, servizi di restituzione e cambio, supporto tecnico, ecc. L'azienda dispone di un team di assistenza clienti professionale responsabile della gestione delle richieste dei clienti, reclami e feedback per garantire la soddisfazione del cliente. e lealtà.
FAQ
1. Per quanto riguarda le questioni relative alla certificazione del prodotto
Domanda: i tuoi prodotti hanno superato le certificazioni pertinenti?
Risposta: Sì, i nostri prodotti hanno superato una serie di certificazioni nazionali e internazionali, come la certificazione del sistema di gestione della qualità ISO 9001, la certificazione CE, ecc. Queste certificazioni dimostrano che i nostri prodotti sono conformi agli standard e ai requisiti pertinenti e hanno qualità e prestazioni eccellenti.
2. Problemi di applicazione del prodotto
D: In quali campi vengono utilizzati principalmente i vostri prodotti?
Risposta: I nostri prodotti di fissaggio sono ampiamente utilizzati in vari campi quali macchinari, edilizia, automobili ed elettronica. Possono soddisfare le esigenze speciali di diversi settori, diverse attrezzature e diversi processi e fornire ai clienti soluzioni professionali.















