Bulloni a testa esagonale AS/NZS 2465
Prodotto: Bulloni a testa esagonale AS/NZS 2465
Classe di proprietà: Gr307A, 307B, 325, A449, A490 2,5,8
Finitura: zincatura (zinco giallo, blu di zinco, colore di risciacquo), nero, fosfato e olio, fosfato di zinco, zincato a caldo (HDG), Dacromet, Geomet
Materiale: acciaio, acciaio inossidabile
Paese di esportazione: USA, Giappone, Australia, Europa e così via
Supporta la personalizzazione del cliente
Bulloni a testa esagonale AS/NZS 2465
Panoramica
LeBulloni a testa esagonale AS/NZS 2465sono elementi di fissaggio di precisione conformi allo standard congiunto australiano e neozelandese AS/NZS 2465. Questi bulloni esagonali sono progettati per applicazioni di fissaggio ad alte prestazioni in ambienti strutturali, automobilistici, industriali e di costruzione. Con una classica testa a sei lati per un facile serraggio e un'elevata resistenza alla trazione,Bulloni a testa esagonale AS/NZS 2465Offrono un'eccezionale forza di serraggio e un'affidabilità di lunga durata in ambienti difficili.
Immagini



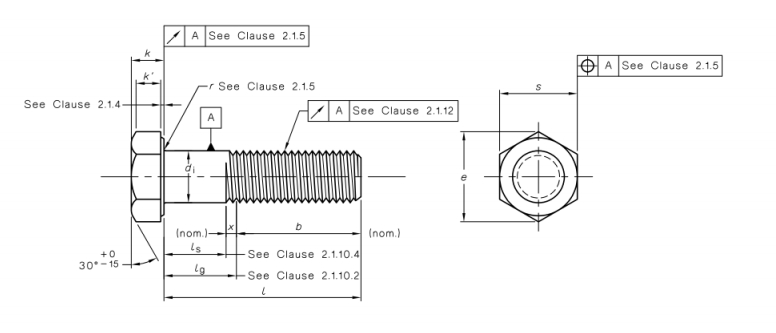
Disegno del prodotto
Specifiche tecniche
Grandezza |
1/4 |
5/16 |
3/8 |
7/16 |
1/2 |
9/16 |
5/8 |
3/4 |
7/8 |
1 |
1-1/8 |
1-1/4 |
1-3/8 |
1-1/2 |
|
d |
Max |
0.25 |
0.3125 |
0.375 |
0.4375 |
0.5 |
0.5625 |
0.625 |
0.75 |
0.875 |
1.0 |
1.125 |
1.25 |
1.375 |
1.5 |
Min |
0.245 |
0.3065 |
0.3690 |
0.4305 |
0.4930 |
0.5545 |
0.6170 |
0.7410 |
0.8660 |
0.9900 |
1.1140 |
1.2390 |
1.3630 |
1.4880 |
|
s |
Nom. |
7/16 |
1/2 |
9/16 |
5/8 |
3/4 |
13/16 |
15/16 |
1-1/8 |
1-5/16 |
1-1/2 |
1-11/16 |
1-7/8 |
2-1/16 |
2-1/4 |
Max |
0.438 |
0.5 |
0.562 |
0.625 |
0.75 |
0.812 |
0.938 |
1.125 |
1.312 |
1.5 |
1.688 |
1.875 |
2.062 |
2.25 |
|
Min |
0.428 |
0.489 |
0.551 |
0.612 |
0.736 |
0.798 |
0.922 |
1.10 |
1.285 |
1.469 |
1.631 |
1.812 |
1.994 |
2.175 |
|
e |
Max |
0.505 |
0.577 |
0.65 |
0.722 |
0.866 |
0.938 |
1.083 |
1.299 |
1.516 |
1.732 |
1.949 |
2.165 |
2.382 |
2.598 |
Min |
0.488 |
0.557 |
0.628 |
0.698 |
0.84 |
0.91 |
1.051 |
0.254 |
1.465 |
0.675 |
1.859 |
2.066 |
2.273 |
2.48 |
|
Okay |
Nom. |
5/32 |
13/64 |
15/64 |
9/32 |
5/16 |
23/64 |
25/64 |
15/32 |
35/64 |
39/64 |
11/16 |
25/32 |
27/32 |
1-5/16 |
Max |
0.163 |
0.211 |
0.243 |
0.291 |
0.323 |
0.371 |
0.403 |
0.483 |
0.563 |
0.627 |
0.718 |
0.813 |
0.878 |
0.974 |
|
Min |
0.15 |
0.195 |
0.226 |
0.272 |
0.302 |
0.348 |
0.378 |
0.455 |
0.531 |
0.591 |
0.658 |
0.749 |
0.81 |
0.902 |
|
k' min |
0.106 |
0.14 |
0.16 |
0.195 |
0.215 |
0.25 |
0.269 |
0.324 |
0.378 |
0.416 |
0.461 |
0.530 |
0.569 |
0.640 |
|
l |
<=6 |
0.75 |
0.875 |
1.0 |
1.125 |
1.25 |
1.375 |
1.50 |
1.75 |
2.0 |
2.25 |
2.5 |
2.75 |
3.0 |
3.25 |
>6 |
1.0 |
1.125 |
1.25 |
1.375 |
1.5 |
1.625 |
1.75 |
2.00 |
2.25 |
2.5 |
2.75 |
3.0 |
3.25 |
3.5 |
|
x max |
0.25 |
0.278 |
0.312 |
0.357 |
0.385 |
0.417 |
0.455 |
0.5 |
0.556 |
0.625 |
0.714 |
0.714 |
0.833 |
0.833 |
|
FIM max |
0.01 |
0.011 |
0.012 |
0.013 |
0.014 |
0.015 |
0.017 |
0.02 |
0.023 |
0.026 |
0.029 |
0.033 |
0.036 |
0.039 |
|
Supporta la personalizzazione del cliente |
|||||||||||||||
Caratteristiche principali dei bulloni a testa esagonale AS/NZS 2465
Design standardizzato della testa esagonale
La testa esagonale offre un eccellente innesto dell'utensile, consentendo un serraggio a coppia elevata.Bulloni a testa esagonale AS/NZS 2465Sono compatibili con chiavi, bussole e utensili elettrici standard.Conformità AS/NZS 2465
Prodotto nel pieno rispetto delle normativeAS/NZS 2465, questi bulloni soddisfano rigorose specifiche meccaniche e dimensionali, garantendo qualità, intercambiabilità e integrità strutturale.Opzioni di filettatura
Disponibile nelle varianti con filettatura metrica grossa e fine,Bulloni a testa esagonale AS/NZS 2465Forniscono un innesto ottimale della filettatura e resistenza all'allentamento delle vibrazioni.Materiali e finiture durevoli
Costruiti in acciaio al carbonio di alta qualità, acciaio legato o acciaio inossidabile, questi bulloni possono essere forniti con finiture come zincatura a caldo, zincatura o pianura per la protezione dalla corrosione.Ampia gamma di dimensioni
Dalla M6 alla M36 e oltre,Bulloni a testa esagonale AS/NZS 2465sono offerti in varie lunghezze per adattarsi ad applicazioni da leggere a pesanti.
Applicazioni dei bulloni a testa esagonale AS/NZS 2465
Costruzione in acciaio
Comunemente usato in strutture in acciaio, ponti e telai,Bulloni a testa esagonale AS/NZS 2465Garantire giunti robusti e resistenti alle vibrazioni.Automotive e trasporti pesanti
Perfetto per assemblaggi di telai, supporti motore e sistemi di sospensione che richiedono elevata resistenza e precisione.Settore minerario e delle risorse
Affidabile negli ambienti difficili dell'industria mineraria,Bulloni a testa esagonale AS/NZS 2465offrono prestazioni sotto carico, calore e corrosione.Progetti infrastrutturali
Questi bulloni sono una scelta standard per le infrastrutture ferroviarie, le torri di telecomunicazione e le infrastrutture stradali grazie alla loro affidabilità portante e alla facile disponibilità.Uso industriale generale
Che si tratti di macchinari, produzione di attrezzature o utensili,Bulloni a testa esagonale AS/NZS 2465fornire una forza di fissaggio costante.
Vantaggi dei bulloni a testa esagonale AS/NZS 2465
✅Elevata resistenza e stabilità
Progettati per applicazioni portanti, questi bulloni offrono un'eccezionale resistenza alla trazione e al taglio.✅Eccellente compatibilità con gli strumenti
La testa esagonale consente un'installazione rapida e sicura con utensili manuali o elettrici comuni.✅Protezione dalla corrosione
I rivestimenti protettivi prolungano la durata in ambienti esterni o esposti chimicamente.✅Innesto affidabile del filo
Le filettature vengono arrotolate o tagliate con precisione per adattarsi perfettamente ai dadi compatibili o ai fori filettati.✅Qualità basata su standard
Piena aderenza aAS/NZS 2465significa che ogni bullone è prodotto con qualità e precisione ripetibili.
Se siete alla ricerca di elementi di fissaggio durevoli, standardizzati e ad alte prestazioni per applicazioni impegnative, ilBulloni a testa esagonale AS/NZS 2465sono la scelta ideale. Questi bulloni offrono una resistenza ottimale, prestazioni costanti e conformità agli standard australiani e neozelandesi. Che si tratti di carpenteria metallica, macchinari pesanti o sistemi ad alte vibrazioni,Bulloni a testa esagonale AS/NZS 2465offrono un'affidabilità di fissaggio senza pari.


