Rivetti a testa piatta
Prodotto: Rivetti a testa piatta
Classe di proprietà:4.8
Finitura: zincatura (zinco giallo, blu di zinco, colore di risciacquo), nero, fosfato e olio, fosfato di zinco, zincato a caldo (HDG), Dacromet, Geomet
Materiale: Q235
Paese di esportazione: USA, Giappone, Australia, Europa e così via
Supporta la personalizzazione del cliente
Rivetti a testa piatta
Panoramica
Rivetti a testa piattasono elementi di fissaggio permanenti versatili e ampiamente utilizzati, progettati per creare giunti resistenti e sicuri in una varietà di materiali. Con una testa a basso profilo che si posiziona a filo con la superficie dopo l'installazione,Rivetti a testa piattasono ideali per applicazioni che richiedono una finitura liscia e una sporgenza minima. Che si tratti di lavorazione dei metalli, edilizia, automotive o aerospaziale,Rivetti a testa piattaoffrono una soluzione affidabile e a prova di manomissione per la giunzione permanente.
Immagini



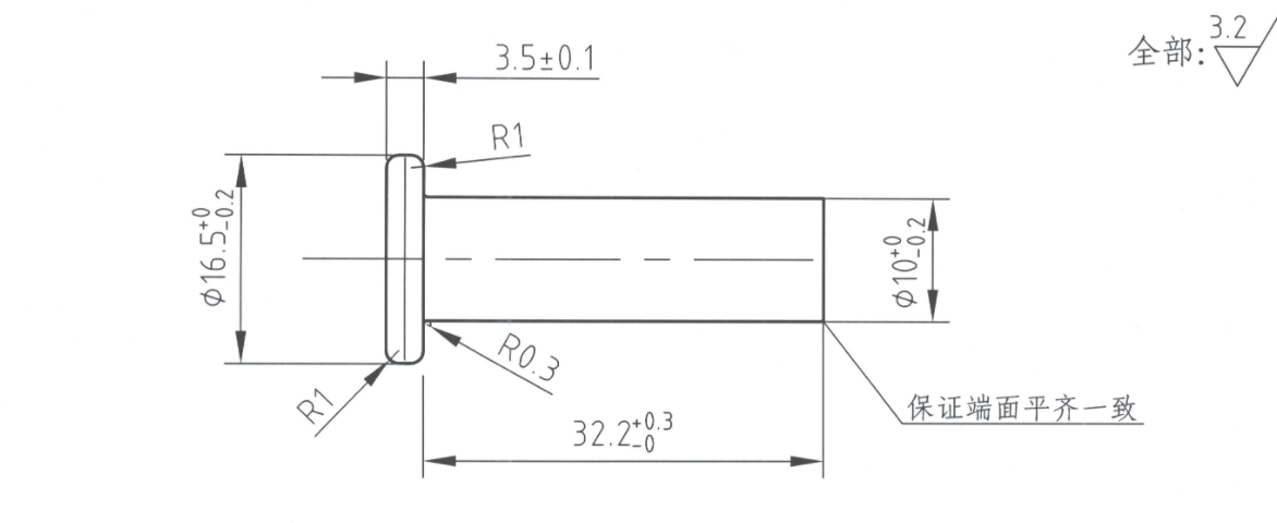
Disegno del prodotto(M10×32)
Caratteristiche principali dei rivetti a testa piatta
Finitura superficiale a filo
La caratteristica distintiva diRivetti a testa piattaè la loro testa larga e piatta, che una volta installata diventa quasi a livello della superficie del materiale. Questo rendeRivetti a testa piattaUna scelta eccellente per applicazioni estetiche o aerodinamiche.Giunto forte e durevole
Una volta installato,Rivetti a testa piattaForniscono un solido legame meccanico che resiste alle forze di taglio e trazione, garantendo una durata a lungo termine anche in presenza di vibrazioni o carichi.Compatibilità dei materiali
Rivetti a testa piattasono disponibili in vari materiali come alluminio, acciaio, acciaio inossidabile, ottone e rame. Ciò consente la compatibilità con un'ampia gamma di materiali di base e condizioni ambientali.Ampia gamma di taglie
Offerto in una varietà di diametri e lunghezze,Rivetti a testa piattapuò essere selezionato in base allo spessore e al tipo di materiali da unire.Installazione manuale e automatizzata
Rivetti a testa piattaPuò essere installato utilizzando utensili manuali per esigenze di basso volume o sistemi di rivettatura automatizzati per linee di produzione ad alta velocità, garantendo flessibilità nell'applicazione.
Applicazioni dei rivetti a testa piatta
Industria automobilistica
Rivetti a testa piattavengono utilizzati per unire pannelli della carrozzeria, componenti del telaio e assemblaggi interni, offrendo un fissaggio sicuro con un aspetto superficiale pulito.Aerospaziale e aeronautico
Nella produzione di aeromobili,Rivetti a testa piattasono preferiti nelle zone aerodinamiche dove le superfici a filo sono fondamentali per le prestazioni e la sicurezza.Elettronica ed elettrodomestici
Questi rivetti forniscono un fissaggio sicuro dei componenti all'interno dei dispositivi, mantenendo l'integrità strutturale senza interferire con il fattore di forma.Fabbricazione di metalli
Gli involucri, gli involucri e i telai in lamiera beneficiano della finitura senza giunzioni e della forte adesione fornita daRivetti a testa piatta.Mobili ed ebanisteria
Rivetti a testa piattaoffrono un'opzione di fissaggio a filo durevole per il legno e i materiali compositi nella produzione di mobili.
Vantaggi dei rivetti a testa piatta
✅Finitura a filo per una migliore estetica
Ideale per superfici che devono rimanere lisce o essere rivestite dopo il montaggio.✅Elevata resistenza e durata
Progettato per resistere a sollecitazioni di taglio e trazione senza allentarsi o cedere.✅Giunti permanenti e antimanomissione
Una volta installato,Rivetti a testa piattaNon possono essere facilmente rimossi, il che li rende perfetti per applicazioni critiche per la sicurezza o ad alta sicurezza.✅Disponibili opzioni resistenti alla corrosione
Versioni in acciaio inox o rivestite diRivetti a testa piattaGarantire una resistenza a lungo termine alla ruggine e alla corrosione.✅Soluzione di fissaggio economica
Rivetti a testa piattaFornire prestazioni ad alta resistenza/costo, soprattutto nella produzione di massa.
Perché scegliere i rivetti a testa piatta?
Se il tuo progetto richiede un dispositivo di fissaggio permanente a basso profilo che offra resistenza e una finitura professionale,Rivetti a testa piattasono la soluzione ideale. Con prestazioni affidabili in un'ampia gamma di settori e ambienti,Rivetti a testa piattasoddisfano sia i requisiti funzionali che quelli estetici senza compromessi.
Rivetti a testa piattaoffrono un fissaggio costante, sicuro e pulito per applicazioni industriali e commerciali. Il loro design ad alte prestazioni, la facilità d'uso e l'ampia adattabilità rendonoRivetti a testa piattaUna scelta affidabile per ingegneri, produttori e costruttori di tutto il mondo.


