Bullone a testa M30 T
Prodotto: Bullone a testa M30 T
Classe Propert:10.9
Finitura: zincatura (zinco giallo, blu di zinco, colore di risciacquo), nero, fosfato e olio, fosfato di zinco, zincato a caldo (HDG), Dacromet, Geomet
Materiali:Acciaio
Paese di esportazione: Giappone, Australia, Europa, America e così via
Supporta la personalizzazione del cliente
Bullone a testa cilindrica M30 T: caratteristiche e applicazioni principali
Introduzione
Il bullone a testa M30 T è un dispositivo di fissaggio industriale progettato per applicazioni ad alta resistenza. Noto per la sua struttura robusta e le prestazioni versatili, il bullone a testa M30 T svolge un ruolo cruciale in vari progetti meccanici, strutturali e ingegneristici. Che si tratti di settori automobilistico, edile o manifatturiero, questo bullone offre una soluzione sicura e affidabile per le attività per impieghi pesanti.



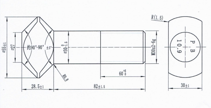
Disegno del prodotto
Caratteristiche principali
Durata e resistenza:
Il bullone a testa M30 T è realizzato in acciaio o materiali in lega di alta qualità, garantendo un'eccezionale robustezza e resistenza all'usura e alla corrosione. Ciò lo rende ideale per l'uso in ambienti difficili, tra cui macchinari pesanti, grandi progetti di costruzione e assemblaggi automobilistici.Design della testa a T:
L'esclusiva testa a forma di T del bullone offre una superficie più ampia per una migliore distribuzione del carico e una maggiore tolleranza di coppia. Questo design facilita il serraggio e il fissaggio, riducendo il rischio di danni ai materiali da fissare.Dimensioni e compatibilità:
La designazione "M30" si riferisce al diametro nominale del bullone di 30 mm, che lo rende adatto per l'uso in apparecchiature e strutture su larga scala. Le sue dimensioni standardizzate garantiscono la compatibilità con una varietà di dadi e altri componenti di fissaggio, semplificando i processi di assemblaggio.Resistenza alla corrosione:
Per ambienti soggetti a umidità, esposizione chimica o temperature estreme, il bullone a testa M30 T è spesso trattato con rivestimenti protettivi come zincatura, zincatura o altre finiture anticorrosive per prolungarne la durata e mantenere le prestazioni.
Officina
Applicazioni
Il bullone a testa M30 T è utilizzato in diversi settori e applicazioni, tra cui:
Costruzione:
Nei progetti di costruzione su larga scala, come ponti, grattacieli e impianti industriali, il bullone a testa M30 T è fondamentale per l'integrità strutturale, mantenendo saldamente in posizione travi in acciaio pesante, macchinari e componenti portanti.Industria automobilistica:
Il bullone è comunemente usato nell'ingegneria automobilistica per il fissaggio di componenti del motore, sistemi di sospensione e parti del telaio, dove sono richieste un'elevata resistenza alla trazione e durata.Macchinari e attrezzature:
Dai macchinari pesanti alle attrezzature agricole, il bullone a testa M30 T è essenziale per garantire il corretto assemblaggio di parti meccaniche che subiscono forze e vibrazioni elevate.
Vantaggi
Portanza migliorata: Il design della testa a T consente al bullone di distribuire meglio la forza, riducendo le sollecitazioni sul materiale.
Facilità di installazione: La sua forma unica semplifica il processo di installazione, soprattutto in spazi ristretti o ristretti.
Maggiore sicurezza: Fornendo una soluzione di fissaggio sicura e stabile, il bullone a testa M30 T aiuta a ridurre la probabilità di guasti meccanici, contribuendo alla sicurezza generale.
Il bullone a testa M30 T è un componente indispensabile in vari settori, fornendo una soluzione di fissaggio affidabile e duratura per applicazioni pesanti. La sua resistenza, versatilità e facilità d'uso lo rendono la scelta migliore per ingegneri e professionisti dell'edilizia che cercano soluzioni di fissaggio sicure.





